


精湛的細節

精湛的細節
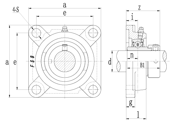
HCF200

| 帶座軸承型號 ? ? | 軸 徑 | 尺 ? ? ? ? ? ? ?寸 | 螺 栓 | 軸承芯型號 | 軸承座型號 | 基本額定載荷 | ? ?疲勞極限載荷 | ? ? ? 極限轉速(SRS) ? ? ?軸的配合公差(h6) | ? 重量 | ||||||||||||
|---|---|---|---|---|---|---|---|---|---|---|---|---|---|---|---|---|---|---|---|---|---|
| mm | in | mm / in | mm | in | — | — | 動載荷 | 靜載荷 | m | ||||||||||||
| d | a | e | i | g | l | S | Z | B1 | n | Cr | Cor | Cur | r / min | ≈Kg | |||||||
| KN | |||||||||||||||||||||
| HCF201 | 12 | — | 76 | 54 | 15 | 12 | 25.5 | 11.5 | 38.4 | 37.3 | 13.9 | M10 | — | HC201 | F203 | 9.56 | 4.75 | 0.20 | 9500 | 0.5 | |
| HCF201-8 | — | 1/2 | 3 | 2-1/8 | 19/32 | 15/32 | 1 | 29/64 | 1.5118 | 1.4685 | 0.5472 | — | 3/8 | HC201-8 | |||||||
| HCF202 | 15 | — | 76 | 54 | 15 | 12 | 25.5 | 11.5 | 38.4 | 37.3 | 13.9 | M10 | — | HC202 | F203 | 9.56 | 4.75 | 0.20 | 9500 | 0.5 | |
| HCF202-10 | — | 5/8 | 3 | 2-1/8 | 19/32 | 15/32 | 1 | 29/64 | 1.5118 | 1.4685 | 0.5472 | — | 3/8 | HC202-10 | |||||||
| HCF203 | 17 | — | 76 | 54 | 15 | 12 | 25.5 | 11.5 | 38.4 | 37.3 | 13.9 | M10 | — | HC203 | F203 | 9.56 | 4.75 | 0.20 | 9500 | 0.5 | |
| HCF203-11 | — | 11/16 | 3 | 2-1/8 | 19/32 | 15/32 | 1 | 29/64 | 1.5118 | 1.4685 | 0.5472 | — | 3/8 | HC203-11 | |||||||
| HCF204 | 20 | — | 86 | 64 | 15 | 12 | 25.5 | 12 | 41.6 | 43.7 | 17.1 | M10 | — | HC204 | F204 | 12.700 | 6.55 | 0.28 | 8500 | 0.6 | |
| HCF204-12 | — | 3/4 | 3-3/8 | 2-33/64 | 19/32 | 15/32 | 1 | 15/32 | 1.6378 | 1.7205 | 0.6732 | — | 3/8 | HC204-12 | |||||||
| HCF205 | 25 | — | 95 | 70 | 16 | 14 | 27 | 12 | 42.9 | 44.3 | 17.4 | M10 | — | HC205 | F205 | 14.0 | 7.80 | 0.34 | 7000 | 0.8 | |
| HCF205-14 | — | 7/8 | 3-3/4 | 2-3/4 | 5/8 | 9/16 | 1-1/16 | 15/32 | 1.6890 | 1.7441 | 0.6850 | — | 3/8 | HC205-14 | |||||||
| HCF205-15 | — | 15/16 | HC205-15 | ||||||||||||||||||
| HCF205-16 | — | 1 | HC205-16 | ||||||||||||||||||
| HCF206 | 30 | — | 108 | 83 | 18 | 14 | 31 | 12 | 48.15 | 48.4 | 18.25 | M10 | — | HC206 | F206 | 19.50 | 11.2 | 0.48 | 6300 | 1.2 | |
| HCF206-18 | — | 1-1/8 | 4-1/4 | 3-17/64 | 45/64 | 9/16 | 1-7/32 | 15/32 | 1.8957 | 1.9055 | 0.7185 | — | 3/8 | HC206-18 | |||||||
| HCF206-19 | — | 1-3/16 | HC206-19 | ||||||||||||||||||
| HCF206-20 | — | 1-1/4 | HC206-20 | ||||||||||||||||||
| HCF207 | 35 | — | 117 | 92 | 19 | 16 | 34 | 14 | 51.3 | 51.1 | 18.8 | M12 | — | HC207 | F207 | 25.50 | 15.3 | 0.66 | 5300 | 1.6 | |
| HCF207-20 | — | 1-1/4 | 4-19/32 | 3-5/8 | 3/4 | 5/8 | 1-11/32 | 35/64 | 2.0197 | 2.0118 | 0.7402 | — | 7/16 | HC207-20 | |||||||
| HCF207-21 | — | 1-5/16 | HC207-21 | ||||||||||||||||||
| HCF207-22 | — | 1-3/8 | HC207-22 | ||||||||||||||||||
| HCF207-23 | — | 1-7/16 | HC207-23 | ||||||||||||||||||
| HCF208 | 40 | — | 130 | 102 | 21 | 16 | 36 | 16 | 55.9 | 56.3 | 21.4 | M14 | — | HC208 | F208 | 30.70 | 19.0 | 0.87 | 4800 | 1.9 | |
| HCF208-24 | — | 1-1/2 | 5-1/8 | 4-1/64 | 53/64 | 5/8 | 1-13/32 | 5/8 | 2.2008 | 2.2165 | 0.8425 | — | 1/2 | HC208-24 | |||||||
| HCF208-25 | — | 1-9/16 | HC208-25 | ||||||||||||||||||
| HCF209 | 45 | — | 137 | 105 | 22 | 18 | 38 | 16 | 56.9 | 56.3 | 21.4 | M14 | — | HC209 | F209 | 33.20 | 21.6 | 0.920 | 4300 | 2.3 | |
| HCF209-26 | — | 1-5/8 | 5-13/32 | 4-9/64 | 55/64 | 23/32 | 1-1/2 | 5/8 | 2.2402 | 2.2165 | 0.8425 | — | 1/2 | HC209-26 | |||||||
| HCF209-27 | — | 1-11/16 | HC209-27 | ||||||||||||||||||
| HCF209-28 | — | 1-3/4 | HC209-28 | ||||||||||||||||||
| HCF210 | 50 | — | 143 | 111 | 22 | 18 | 40 | 16 | 60.1 | 62.7 | 24.6 | M14 | — | HC210 | F210 | 35.10 | 23.2 | 0.98 | 4000 | 2.6 | |
| HCF210-30 | — | 1-7/8 | 5-5/8 | 4-3/8 | 55/64 | 23/32 | 1-9/16 | 5/8 | 2.3661 | 2.4685 | 0.9685 | — | 1/2 | HC210-30 | |||||||
| HCF210-31 | 1-15/16 | HC210-31 | |||||||||||||||||||
| HCF210-32 | 2 | HC210-32 | |||||||||||||||||||
| HCF211 | 55 | — | 162 | 130 | 25 | 20 | 43 | 19 | 68.65 | 71.4 | 27.75 | M16 | — | HC211 | F211 | 43.60 | 29.0 | 1.25 | 3600 | 3.8 | |
| HCF211-32 | — | 2 | 6-3/8 | 5-1/8 | 63/64 | 25/32 | 1-11/16 | 3/4 | 2.7028 | 2.8110 | 1.0925 | — | 5/8 | HC211-32 | |||||||
| HCF211-34 | — | 2-1/8 | HC211-34 | ||||||||||||||||||
| HCF211-35 | — | 2-3/16 | HC211-35 | ||||||||||||||||||
| HCF212 | 60 | — | 175 | 143 | 29 | 20 | 48 | 19 | 75.85 | 77.8 | 30.95 | M16 | — | HC212 | F212 | 52.70 | 36.0 | 1.53 | 3400 | 4.8 | |
| HCF212-36 | — | 2-1/4 | 6-7/8 | 5-5/8 | 1-9/64 | 25/32 | 1-7/8 | 3/4 | 2.9862 | 3.0630 | 1.2185 | — | 5/8 | HC212-36 | |||||||
| HCF212-38 | — | 2-3/8 | HC212-38 | ||||||||||||||||||
| HCF212-39 | — | 2-7/16 | HC212-39 | ||||||||||||||||||
| HCF213 | 65 | — | 187 | 149 | 30 | 20 | 50 | 19 | 81.3 | 85.6 | 34.3 | M16 | — | HC213 | F213 | 57.20 | 40.0 | 1.70 | 3000 | 6.0 | |
| HCF213-40 | — | 2-1/2 | 7-3/8 | 5-55/64 | 1-3/16 | 25/32 | 1-31/32 | 3/4 | 3.2008 | 3.3701 | 1.3504 | — | 5/8 | HC213-40 | |||||||
| HCF214 | 70 | — | 193 | 152 | 31.8 | 24.8 | 54.8 | 19 | 83 | 85.3 | 34.1 | M16 | — | HC214 | F214 | 62.40 | 45.0 | 1.86 | 2800 | 6.4 | |
| HCF214-42 | — | 2-5/8 | 7-19/32 | 5-63/64 | 11/4 | 31/32 | 2-5/32 | 3/4 | 3.2677 | 3.3583 | 1.3425 | — | 5/8 | HC214-42 | |||||||
| HCF214-43 | — | 2-11/16 | HC214-43 | ||||||||||||||||||
| HCF214-44 | — | 2-3/4 | HC214-44 | ||||||||||||||||||
| HCF215 | 75 | — | 200 | 159 | 35 | 25 | 57 | 19 | 89.6 | 92.1 | 37.5 | M16 | — | HC215 | F215 | 66.30 | 49.0 | 2.04 | 2600 | 7.2 | |
| HCF215-47 | — | 2-15/16 | 7-7/8 | 6-17/64 | 1-3/8 | 63/64 | 2-1/4 | 3/4 | 3.5276 | 3.6260 | 1.4764 | — | 5/8 | HC215-47 | |||||||
| HCF215-48 | — | 3 | HC215-48 | ||||||||||||||||||










